J-Z系列柱塞式计量泵

特点:
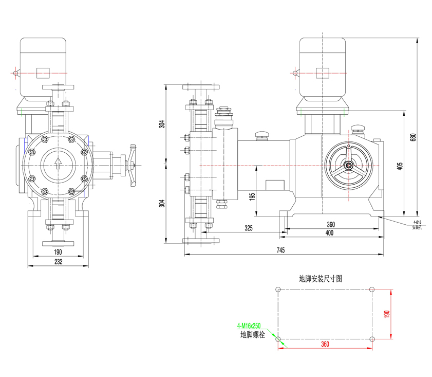
1、泵传动为螺杆副,曲柄连杆机构,行程调节为可变偏心滑轴机构
2、泵的最大额定排量Q=1600L/h
3、泵的最大额定排压P2=50mpa
4、适应介质温度≤400℃
5、流量控制方式:手动/自动冲调节器实现外部信号自动控制/变频控制
6、泵在运行或停止状态下可调节流量。
7、泵的过流零件材质:304、316L、20#合金、哈氏B、哈C、陶瓷等。
8、流量稳定精度≤±1%
9、进出口连接:可选卡套式焊接管式、法兰式、螺纹式
10、特殊设计:(1)高压;(2)低温;(3)加热夹套;(4)高粘度;(5)高温


 

 

Copyright 浙江博宁顿泵业科技有限公司 2023 版权所有