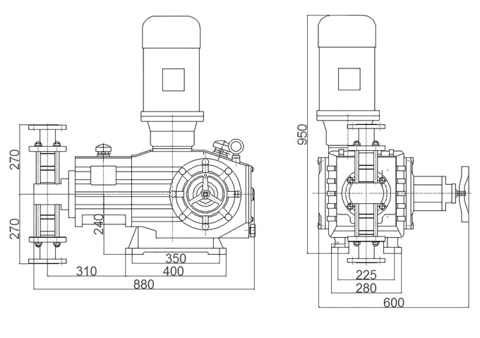
J-D系列柱塞式计量泵





特点:
1、泵为蜗杆副传动,曲柄连杆机构,行程调节机构为N轴
2、泵的最大额定排量Q=3000L/h
3、泵的最大额定排压P2=50Mpa
4、适应介质温度≤400℃
5、流量控制方式:手动/自动冲程调节器/变频
6、泵在运行或停止状态下可调节流量。
7、泵的过流零件可选材质:304、316L、20#合金、哈氏B、哈C、陶瓷等。
8、流量精度≤±1%
9、进出口连接:可选卡套式焊接管式、法兰式、螺纹式
10、特殊设计:(1)高压;(2)高温;(3)低温;(4)加热夹套;(5)高粘度

  

01.jpg

 

 

Copyright 浙江博宁顿泵业科技有限公司 2023 版权所有